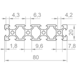
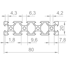
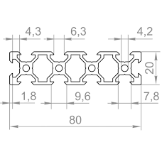
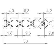
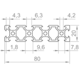
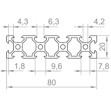
Профиль Алюминевый, V Евростандарт 2080 мм Оксидированный
Этот товар недоступен в выбранной валюте.
В наличие
дополнительная информация
Нет в наличии
Описание
Профиль Алюминевый, V Евростандарт 2080 мм Оксидированный
Описание товара
- Длина: 1-3метра
Opps
For This Quantity
